-
详细信息
南京德路斯专注欧洲设备进口~~~~~~maxon电机 型号齐全~~~~原装进口~~~~~
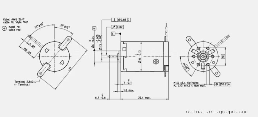
A-max 16 Ø16 mm,稀有金属电刷CLL,2瓦特,带端子
额定电压值 额定电压 12 V 空载转速 12300 rpm 空载电流 9.54 mA 额定转速 6660 rpm 额定转矩(*大连续转矩) 2.17 mNm 额定电流(*大连续负载电流) 0.243 A 堵转转矩 4.77 mNm 堵转电流 0.52 A *大效率 76 % 特征值 相间电阻 23.1 Ω 相间电感 0.83 mH 转矩常数 9.17 mNm/A 转速常数 1040 rpm/V 转速/转矩斜率 2620 rpm/mNm 机械时间常数 23.3 ms 转子惯量 0.849 gcm² 热参数 外壳-环境热阻 29.8 K/W 绕组-外壳热阻 5.5 K/W 绕组热时间常数 3.46 s 电机热时间常数 165 s 环境温度 -30...+65 °C 绕组*高允许温度 +85 °C 机械参数 轴承类型 烧结轴承 *大允许转速 19000 rpm 轴向间隙 0.05 - 0.15 mm 径向间隙 0.012 mm *大轴向载荷(动态) 0.8 N *大轴向压配合力(静态) 35 N (静态,支撑轴) 0 N *大径向载荷 1.4 N, 5 mm(距离法兰) 其它参数 极对数 1 换向片数量 7 高温高压灭菌次数 0 产品 重量 21 g
maxon A-max电机属于一项配备了高功率AlNiCo永磁铁的高品质直流电机的创新项目。电机的“核心部件”maxon无铁芯绕组经过经过上百万次验证。 这代表了紧凑、高效和低惯量的驱动装置的*先进技术。
Maxon motor是一家全球范围内高精密电机和驱动系统的产品供应商。在瑞士、德国和匈牙利设有制造工厂,销售公司遍及全球40多个国家。maxon为诸多领域提供了具有价格竞争力的创新解决方案,如工业自动化、医疗技术、安全技术、仪器仪表、通讯技术、日用消费等领域 。医疗方面:用于泵机、假肢、手动工具或植入式系统的微驱动装置。maxon DC电机性能可靠、抗震并可进行消毒处理。 同时还具有功率密度高、效率高的特点。工业自动化和机器人技术领域,maxon公司的小型驱动装置能完成具挑战性的自动化任务。 -
扫一扫,手机浏览



